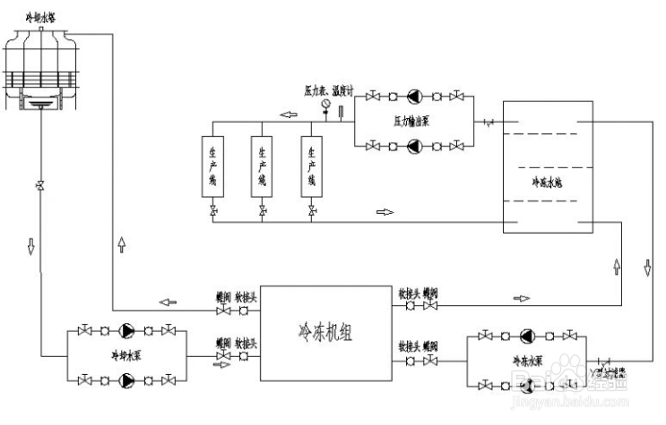
風冷冷水機的型號從(cóng)dyj-01a到dyj-60a,均(jun1)為密封箱體結構,製冷壓縮機類型為(wéi)渦旋壓縮機。

另外,對於(yú)大於dyj-60a的風冷(lěng)冷水(shuǐ)機組,建議選擇螺杆式壓縮(suō)機,我們稱之為風冷螺杆(gǎn)式冷水(shuǐ)機組。它們都是通過風扇和空之間的空氣(qì)交換來散熱的。
方法/步驟
第1步 雖然(rán)風冷式冷水機設置(zhì)有多重保護裝置,但是這些都是為了防止出現的故障直(zhí)接損(sǔn)壞(huài)機組。如果企業要保證風冷式冷水機製冷效率(lǜ)高、使用壽命(mìng)長,那麽一定要記得定(dìng)期做維護保養。
第2步 【檢查電壓及電流量的(de)穩定性(xìng)】風冷(lěng)式冷水機正常工作時,電壓為380v(其中dyj-01a~dyj-02a的電壓為220v,國外其他地(dì)區電壓也有410v等),電流在11a-15a範圍內為正常;
第3步 【檢查冷媒有無減少】這(zhè)個可以根據風冷式冷水機正麵的高、低壓壓力表(biǎo)值來判斷。冷水機正常運行時,高壓在11-17kg,低壓(yā)在3-5kg為正常範圍。停機狀態(tài)時,高壓低壓都在0.6kg左右;第4步 【定期清洗係統】在風冷式冷水機(jī)運行6個月時,要(yào)清洗整個(gè)係(xì)統,比(bǐ)如管道、過濾器、冷凝器、風機等,特別是風機,和我們常用(yòng)的風扇一(yī)樣,布滿灰塵影響散(sàn)熱,因此製冷效率會直接降低。 更多>>
推薦新聞(wén)
-
4月22-24日 | 凱德(dé)利邀您共鑒2026年中國固態電池和鈉電大會
2026-04-11 -
節能(néng)25%!山東化(huà)工廠節能改造應用案例
2026-04-11 -
香蕉视频免费下载集團總(zǒng)經理一行赴宏(hóng)工科技總(zǒng)部學習交流
2026-04-11 -
4月15-17日 | 香蕉视频免费下载(lì)邀您共(gòng)鑒國際氣體工業博覽(lǎn)會
2026-04-03 -
一圖看懂氫能(néng)“製儲運加用”全流程
2026-04-03







